肇庆联亿钢结构工程有限公司
肇庆钢结构-云浮钢结构-佛山钢结构-广州钢结构-东莞钢结构-江门钢结构-广东钢结构工程设计、制造、安装集成商。
全国服务热线:
18938314188

Zhaoqing Lianyi Steel Structure Engineering Co. Ltd


X
新闻中心
/
新闻中心
钢结构端板节点美标计算与国标对比
来源: | 作者:钢铁搬运工 | 发布时间: 2021-08-23 | 488 次浏览 | 分享到:
端板节点是一种钢结构多层建筑中常用的节点,在美国应用较为普遍,在我国应用不多。针对此现象,将国标和美标规范进行了对比。


美标AISC DG4端板节点计算与国标对比


端板节点是一种钢结构多层建筑中常用的节点,在美国应用较为普遍,在我国应用不多。针对此现象,将国标和美标规范进行了对比。通过对比发现,美国标准对端板节点的研究很完善,AISC DG4和DG16都是对端板节点的设计指导,DG4设计流程适用于风和地震作用下的端板外伸式梁柱节点(即刚接节点),梁柱节点域的计算参见DG13;DG16适用于非地震或风作用时的平端板和外伸端板计算(即半刚接节点)。相比之下,国标规范对端板节点的核算就较为简单,在JGJ 82—2011《钢结构高强度螺栓连接技术规程》(简称《螺栓规程》)和GB 51022—2015《门式刚架轻型房屋钢结构技术规范》(简称《门刚规范》)中均涉及到了端板节点的计算,但《螺栓规程》中未给出板厚计算方法,仅按构造要求板厚不小于16 mm且不小于螺栓直径;而《门刚规范》未给出螺栓计算方法,仅给出了板厚的计算。可见:两个规范对此类节点的计算都不够完整。


为了论证国标规范对螺栓及端板厚度的选取是否合理,也为了判断按照国标规范设计端板节点是否可以作为刚接节点,选取AISC DG4与国标规范进行对比,从基础理论开始,简单论述了美国对于端板节点的研究历史以及美标DG4 的计算原理、计算假定,然后以实例的形式按照DG4的设计流程对该实例进行了详细的解答,并与《螺栓规程》《门刚规范》的计算结果对比,分析两国规范的计算原理和结果的不同之处。


通过对比发现,两国规范对受拉翼缘受力的计算原理相同,受拉翼缘所承受的拉力由受拉区螺栓承担,对受拉区螺栓的受力计算,两国规范有所差异,但差异不大,不至于影响螺栓规格选取;只是对端板厚度的计算方法差异较大,美标采用屈服线理论,利用了板的塑性抗弯强度,国标规范仍在板的弹性范围内计算,国标计算方法偏于保守。


DG4中附录B是端板节点的初步设计表格,通过分析表格内的数据,发现绝大多数情况下,螺栓直径大于端板厚度,尤其是采用50 ksi强度(即345 MPa)板材时,板厚全部小于螺栓直径。国标规范中虽然没有给出一个明确的端板计算标准流程,但是通过构造措施,比如端板厚度不小于螺栓直径,柱翼缘厚度不小于端板厚度,端板外伸部位设置加劲等措施,也可以达到端板的承载力不小于螺栓承载力的要求,满足厚板的条件。

通过以上研究对比,美标DG4理论较为清晰,且有实际工程和试验数据支撑,在有抗震要求的情况下,当需要计算端板节点时,若工程师判定国标规范的理论不适用,可按照美标进行计算。如果是非抗震设计,国标中的构造措施已经足够安全。





1 概 述


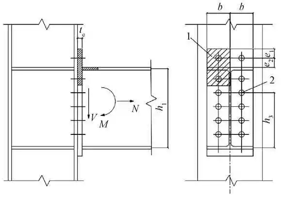
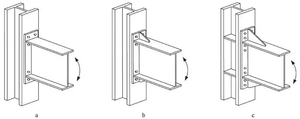
端板节点是一种常用的抗弯节点,可以传递弯矩、剪力和拉力,在多层钢结构建筑中极为常用,分为平端板(Flush)和外伸式端板(Extended)两种基本形式。平端板节点中,端板不伸出至梁翼缘之外,且所有的螺栓分布在梁的上下翼缘之间,经常用于侧向荷载较小的结构。外伸式节点的端板伸出至梁翼缘之外,且外伸部分应布置螺栓,常用于梁柱连接节点。见图1、图2。


美国采用外伸式端板节点比较常见,经实际工程验证,在美国,低震区30层以下、高震区10层以下的钢结构框架都可采用此种类型节点。


在国标设计中,端板节点通常认为是半刚性节点,多用在门式刚架结构中,第4版《钢结构设计手册》第13.1.3条说明中提到,如果外伸式端板厚度足够厚,这种连接可以成为刚性连接,但是并未明确给出端板节点的设计方法。


肇庆联亿钢结构-肇庆钢结构-广东钢结构

a—梁梁对接;b—梁柱连接。
图1 典型平端板连接节点


肇庆钢结构-肇庆联亿钢结构-钢结构公司-钢结构厂家

a—梁梁对接;b—梁柱连接。

图2 典型外伸端板连接节点


2 美标端板节点研究历史

关于端板节点的研究从20世纪60年代就已经开始了,研究内容主要分为5类:端板计算、螺栓计算、柱受力计算、端板节点承受往复荷载的试验以及端板节点的有限元分析。


早期(20世纪70年代)的设计假定是将端板节点类比为T型钢节点,并考虑撬力的影响,这种计算原理会导致端板偏厚且螺栓偏大。1969年版的《AISC Manual of Steel Construction》中即采用这种方法计算。


1981年,Johnstone和Walpole研究了无加劲的外伸式端板节点在往复荷载作用下的性能,试验证明,当节点强度足够时,节点的破坏形式为梁的塑性破坏,但是如果节点的设计承载力小于梁的承载力,则会表现为节点的破坏。


Murray从1988年开始对端板和柱的计算进行了一系列的研究。1988年,在对前人的研究结果进行总结的基础上,提出了端板和柱极限状态的计算方法。1990年,提出了4螺栓外伸无加劲、4螺栓外伸加劲、8螺栓外伸加劲抗弯节点的计算方法,即第1版的AISC DG4。


1995年,Borgsmiller研究了52个不同类型的端板节点,发现撬力在端板屈服能力达到90%时才变得明显,为此,提出了出现撬力的临界状态,即如果外力小于端板屈服能力的90%时,则撬力可以忽略不计,此时端板可以定义为厚板,无撬力存在;当外力大于板屈服能力的90%时,端板可定义为薄板,撬力不可忽略。这个明确的临界状态的提出,大大简化了螺栓的受力计算。通过此项研究,Borgsmiller提出了一种计算端板节点的简化方法——屈服线分析。


2001年,Sumner 和 Murray研究了每行4个螺栓的端板节点,而传统端板节点是每行2个螺栓。研究结果显示,DG4(1版)中的设计方法在设计这种每行4个螺栓的端板节点时偏于保守。


2002年,Murray和Shoemaker合作编写了DG16,给出了9种外伸端板和平端板的计算方法,设计方法基于Borgsmiller在1995年的研究结果,但是此设计指导只适用于承受风和低强度地震的建筑,对于设防烈度地震和罕遇地震不适用。


2003年,Sumner提出了承受地震荷载和往复荷载的外伸端板节点计算方法,同样采用了Borgsmiller提出的屈服线理论,并对90组端板节点进行试验,验证此方法的正确性。


3 DG4规范介绍及计算理论基础

3.1

AISC DG4介绍

AISC Design Guide 4第1版发布于1990年,名为《Extended End-Plate Moment Connections》。这本规范的计算方法基于20世纪80年代之前的研究结果,并明确指出,其计算方法仅适用于承受静力荷载的结构,不适用于有抗震要求的建筑。


现行设计指导为第2版,于2004年发布,将端板节点的计算分成了两部分,分别是Design Guide 4(DG4):Extended End-Plate Moment Connections(Seismic and Wind Applications)和Design Guide 16(DG16):Flush and Extended Multiple-Row Moment End-Plate Connections,DG4 适用于有抗震要求和承受风荷载的框架体系,DG16 适用于无抗震要求的结构。版本更新后,计算原理有了本质的变化,采用屈服线理论来计算端板和柱翼缘的抗弯承载力。


第2版DG4中的设计方法验证了图3中三种形式的端板节点在地震作用下的性能,适用范围见表1(往复荷载试验)和表2(静力荷载试验)。若各项参数超出表1和表2的范围,此节点的破坏机理和预期强度都可能受到影响,需要另行研究,不适合采用设计指导中的方法进行设计。表中各项参数定义见图4及其说明。


肇庆钢结构-肇庆联亿钢结构-钢结构公司-钢结构厂家构-佛山钢结构-云浮钢结构

a—端板无加劲(4颗螺栓受拉);b—端板加劲(4颗螺栓受拉);c—端板加劲(8颗螺栓受拉)。
图3 外伸端板节点形式


表1 往复荷载测试范围 in

肇庆联亿钢结构-肇庆钢结构-广东钢结构


表2 静力荷载测试范围 in

肇庆钢结构-肇庆联亿钢结构-钢结构公司-钢结构厂家


由表1和表2中的数据可以看出,往复荷载试验所研究的梁高度在350~1400 mm之间,静力荷载试验研究的梁高度大概在250~1600 mm之间,梁高度范围适用于大部分多层钢结构建筑,基本可以涵盖石化行业的常用型材。


肇庆钢结构-肇庆联亿钢结构-钢结构公司-钢结构厂家

注:tp为端板厚度;bp为端板宽度;g为螺栓在水平方向间距;pf为螺栓到翼缘的距离;pfi为翼缘内侧螺栓到翼缘板下表面距离;pfo为翼缘外侧螺栓到翼缘板上表面距离;pb为螺栓竖向间距(仅受拉区8颗螺栓的情况有此参数);d为梁截面高度;tf为梁翼缘厚度;bf为梁翼缘宽度;db为螺栓直径;h0为受压翼缘中心线距离翼缘外侧受拉螺栓的距离(4颗螺栓受拉情况);h1为受压翼缘中心线距离翼缘内侧受拉螺栓的距离(4颗螺栓受拉情况)。

图4 端板节点参数示意

3.2

理论基础

DG4计算方法的假定和计算条件:


1)所有螺栓安装时必须达到最小预拉力,但对接触面摩擦系数无要求。


2)计算方法适用于A325 和A490 螺栓。


3)螺栓布置时,螺栓距离梁翼缘尽可能近,使节点更为经济。建议最小距离:1 in(1 in=25.4 mm)以下螺栓,距离为(d+1/2)in;1 in以上螺栓,距离为(d+3/4)in。一般,对于所有螺栓都可取2 in或 in,螺栓的水平方向间距必须小于梁翼缘宽度。


4)剪力由受压区螺栓承担,端板节点没有必要设计成摩擦型连接,并且剪力通常不会成为主控因素。


5)端板的有效计算宽度不大于梁翼缘宽度加上1 in。


6)抗拉螺栓附近的梁腹板与端板的焊缝用来传递梁腹板的屈服应力。


DG4的计算中未考虑撬力影响,因为DG4计算假定是该节点属于厚板,端板厚度足以防止撬力的出现,同时也保证在地震作用下,破坏首先出现在梁上。


4 算 例

以图3b节点为例,以实例形式梳理一下DG4 的计算方法和所需考虑的失效模式。


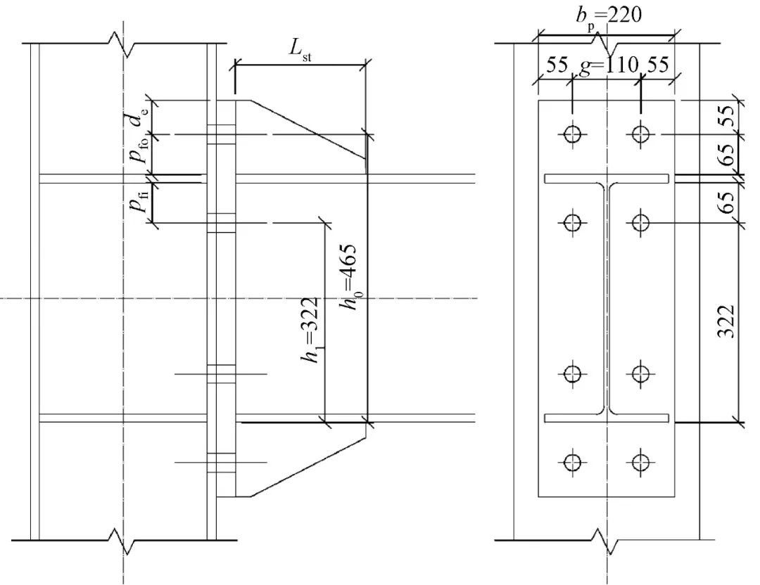
实例:选梁截面HN400×200×8×13,材质Q235B,柱截面为HW300×300×10×15,材质Q235B,梁端剪力设计值为100 kN,螺栓采用美标A490螺栓,端板及加劲板材质均为Q235B,节点初步布置见图5。


肇庆联亿钢结构-肇庆钢结构-广东钢结构

图5 实例节点简图 mm

4.1

端板和螺栓计算

1)计算柱翼缘面处承受的弯矩Muc


Muc=Mpe+VuLp

(1)

其中 Mpe=1.1RyFyZx


Lp=min(d/2,3bf)(图3a)


Lp=Lst+tp(图3b、c)


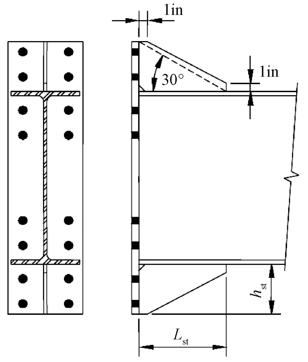
式中:Ry为梁产生塑性铰时的期望屈服强度与材料名义屈服强度的比值,对于Fy=50 ksi(345 MPa),Ry=1.1;对于Fy=36 ksi(246 MPa),Ry=1.5,见AISC 341;Zx为梁绕x轴的塑性截面模量;Vu为塑性铰处的剪力(因为破坏时已产生了塑性铰,故考虑剪力引起的弯矩);Lp为柱翼缘面到塑性铰的距离;d为梁高;bf为梁翼缘宽度;tp为端板厚度;Lst为端板加劲板长度。


对此算例,按Lp=Lst+tp计算。端板加劲的传力按照30°扩散,所以Lst=hst/tan 30°,见图6。为保守计算节点处弯矩,本例暂定选用M24螺栓,hst为110 mm,端板厚度25 mm,可计算得到Lp=215 mm,加劲板若与梁材质相同,厚度取与梁腹板等厚即可。


图6 加劲板尺寸计算


计算得到:Muc=Mpe+VuLp=462.5 kN·m。


2)确定所需螺栓直径,对于无加劲或有加劲4颗螺栓节点,计算如下:

(2)

其中 Ø=0.75

式中:Ft为螺栓名义抗拉强度,A325螺栓取Ft=90 ksi(620 MPa),A490螺栓取Ft=113 ksi(780 MPa),Ft是最小极限抗拉强度的3/4,国标中,Ft的取值考虑如下,HS8.8、HS10.9级螺栓的最小极限抗拉强度分别是830 MPa和1040 MPa,相应算得名义抗拉强度为623 MPa和780 MPa。


拟采用A490螺栓,代入相关数值计算得到所需螺栓直径为25.3 mm,故选螺栓规格M27。


3)计算螺栓的无撬力弯矩Mnp,计算公式如下:


Mnp=2Pt(h0+h1)

(3)

则计算得到螺栓提供的无撬力弯矩为:Mnp=702.6 kN·m。


4)根据上一步得到的螺栓无撬力弯矩Mnp计算所需端板厚度tp,Req′d

(4)

其中 Ø=0.75


Øb=0.9


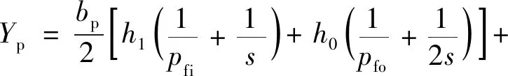
式中:系数1.11是用1/0.9算得,因为此计算方法按照厚板理论计算,只有螺栓抗弯承载力不大于端板承载力的90%时,端板才可定义为厚板,故在计算端板厚度时将螺栓承载能力放大了1.11倍;Fyp为端板的屈服强度,选用Q235材质;Yp为根据AISC DG4 表3.1,3.2,3.3查得的有关端板屈服线的参数,屈服线形式见图7 。


a—情况1(des);b—情况2(de>s)。
图7 端板计算屈服线参数


图7中,s的计算式为:

(5)

本例中s=77.8 mm,大于端部螺栓距离端板端部的竖向距离de,故属于情况1。


对于本例情况,Yp计算公式如下:

(6)

将相关数值代入式(6),计算得到Yp=3965 mm。


故按照式(4),计算可得tp,Req′d=26.4 mm,选端板厚度为27 mm。


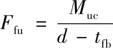
5)计算梁上翼缘拉力:

(7)

由式(7)得到Ffu=1195 kN。


6)校核端板的剪切屈服破坏(此项用于校核不加劲端板,加劲端板无需校核,此步骤供不加劲端板校核参考):

(8)

其中 Ø=0.9


式中:bp为端板宽度。


由式(8)可得:校核通过。若式(8)校核不满足,则需增大端板厚度。


7)校核端板的剪切撕裂破坏(此项用于校核不加劲端板,加劲端板无需校核,此步骤供不加劲端板校核参考):

(9)

其中 Ø=0.75

式中:Fup为端板的最小极限抗拉强度。


由式(9)可得:校核通过。若式(9)校核不满足,则需增大端板厚度。


8)确定加劲肋厚度和尺寸。梁与加劲板材料相同时,加劲板厚度应与梁腹板等厚,取加劲板厚度8 mm。为避免加劲肋发生局部屈曲,需控制加劲肋的高厚比:

(10)

计算得到hst/ts<16.6,即hst应小于132 mm,实际加劲肋高度hst为120 mm,加劲板高厚比满足要求。则加劲肋长度Lst为:

(11)

由式(11)计算得到Lst=207 mm。


9)此节点的剪力假定均由受压侧螺栓承担,计算螺栓抗剪承载力:


VuRnnbFVAb

(12)

其中 Ø=0.75

式中:nb为受压侧螺栓数量;FV为螺栓抗压承载力设计值(见AISC 360表J3.2);Ab为螺栓毛截面积。


计算得到,ØRn=355.4 kN>Vu=100 kN,校核通过。


10)校核端板和柱翼缘的螺栓孔孔壁承压和撕裂破坏:


VuRnniRnnoRn

(13)

其中 Ø=0.75


Rn=1.2LctFu<2.4dbtFu


式中:ni为梁翼缘内侧受拉螺栓数量;no为梁翼缘外侧受拉螺栓数量;Lc为沿力方向的螺栓净边矩;t为端板或柱翼缘板厚度;Fu为端板或柱翼缘板的最小抗拉强度;对端板,2.4dbtFu=656 kN;对柱翼缘,2.4dbtFu=364.5 kN,1.2LctFu=492 kN。


柱翼缘计算:

ØRn=1458 kN>100 kN,满足要求。


端板计算:

ØRn=2624 kN>100 kN,满足要求。


11)计算梁与端板的焊缝。国内一般采用翼缘熔透,腹板角焊缝焊接,相当于等强连接,此处不校核。

4.2

柱翼缘和腹板计算

1)校核柱翼缘抗弯承载力(按柱翼缘间设置横向加劲肋计算):


由式(5)计算得到s=91 mm>psi=65 mm,由式(6)计算得到Yp=5 180 mm,由式(4)计算得到tp,Req′d=23.1 mm,故柱翼缘厚度不足,需在屈服线范围内替换翼缘板,即在梁至上下翼缘外至少各s+pso=91+65=156 mm范围将翼缘板替换为24 mm厚,且材质与柱相同都采用Q235B。


2)根据柱翼缘抗弯强度计算加劲。


柱翼缘抗弯承载力计算式:

(14)

代入数据得,ØMcf=631 kN·m。


式(14)与式(7)原理相同,则横向加劲肋设计所需荷载为:

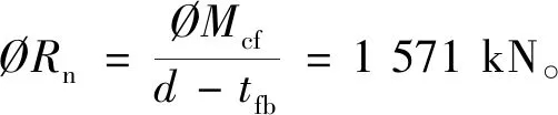
3)校核梁翼缘处柱腹板屈服强度。


校核条件:

ØRnCt(6kc+N+2tp)Fyctwc>Ffu

(15)

式中:Ct为若从柱端头到受压翼缘距离小于dc/2,取0.5,否则,取1;kc为柱翼缘外表面到倒角与腹板交界处的距离;N为梁翼缘厚度加上两倍的坡口焊补强焊脚高度;Fyc为柱腹板屈服强度;twc为柱腹板厚度。


将相应数值代入式(15),得到ØRn=557 kN<Ffu=1195 kN,柱腹板屈服强度不满足要求,需设置横向加劲肋或腹板贴板。


4)校核无加劲腹板在梁受压翼缘处的屈曲强度:

(16)

其中 Ø=0.9


式中:对于热轧型钢,h应为翼缘间距离减去型钢圆角半径。


将相应数值代入式(16),得到ØRn=621.9 kN<Ffu=1191 kN,柱腹板屈曲强度不满足,需设置横向加劲肋或腹板贴板。


5)校核无加劲腹板在受压翼缘处的断裂破坏:

(17)

校核梁受压翼缘处柱腹板的局部屈曲强度(仅无加劲节点需校核此项)时,将相应数值代入式(17),得到ØRn=543.7 kN<Ffu=1191 kN。


不满足,需设置横向加劲肋或腹板贴板。


6)横向加劲肋计算及与柱连接焊缝计算:

Fsu=FfuRnmin

(18)

式中:ØRnmin为柱翼缘弯曲、腹板屈服、腹板屈曲、腹板断裂强度的最小值,取以上4步中最小值为543.7 kN,则:Fsu=651.3 kN。


按照国内构造习惯,加劲肋为全深度加劲,有:

(19)

式中:clip为加劲板切角尺寸Fyst为加劲肋的屈服强度;tsmin为加劲肋的最小厚度。经计算得tsmin=10.6 mm,故选加劲板厚度为12 mm。


7)横向加劲板与柱翼缘之间焊缝计算。


此焊缝可采用全熔透或角焊缝,全熔透不需计算,角焊缝按下式计算:

(20)

式中:FEXX为焊材的最小抗拉强度。


由式(20)计算可得wmin=6.2 mm,则横向加劲板与柱翼缘之间双面角焊缝高度可取8 mm。


8)横向加劲板与柱腹板之间焊缝计算:

(21)

由式(21)计算可得wmin=4.9 mm,则横向加劲板与柱腹板之间双面角焊缝焊脚高度可取 5 mm。


9)柱腹板节点域抗剪及加劲计算。


此部分计算内容在DG4上不涉及,应参见DG13进行计算。


腹板承受剪力为Vu=Ffu=1195 kN,柱截面轴向屈服强度为Py=FyAc=2783 kN,因Vu>0.4Py,故柱腹板的抗剪承载力为:

(22)

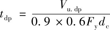
可得ØRV为370 kN,腹板补强板承受剪力Vu.dp=VuRV=821 kN。


腹板补强板厚度计算:

(23)

由式(23)计算可得tdp=21 mm,则可在腹板两侧各补厚度为12 mm的贴板,贴板与柱翼缘采用熔透焊接。

4.3

算例正确性验证

为验证结果的正确性,将例题计算结果与DG4 Preliminary design table中Table 4ES-A490对比,见表3,W16×40(公制尺寸为H406×178×7.7×12.8)与HN400 截面外形相近,抗震计算下的塑性弯矩相近,通过对比,发现两者计算结果基本一致。


表3 算例结果与DG4初步设计表对比

国标端板计算方法汇总

国内项目很少在梁柱节点处采用端板节点,端板节点的计算在《螺栓规程》和《门刚规范》中有描述,但都不是作为等强节点进行设计,设计时选用的内力为连接处实际产生的内力。


为方便对比,按照国标计算时,不选取实际内力,取美标DG4中的Muc值,即对于本算例为462.5 kN·m进行计算。

5.1

《螺栓规程》计算方法

对于端板节点,规程中假定上翼缘上下两排螺栓首先参与受力,且每个螺栓所承受的拉力相同。按此规程式(24a)(即规程式5.3.3-1),算例中螺栓受拉力Nt=299 kN,而单个A490 M27螺栓抗拉承载力为ØFtAb=334.8 kN,正好与Nt匹配,此螺栓型号可作为最佳选型。


《螺栓规程》计算端板厚度的机理是将端板简化为T型件,如图8所示,仍采用Q235B材质,按照式(24b)(即规程式5.2.3-1)计算得到的端板厚度为57.3 mm,远大于DG4算得的27 mm,原因在于规程中端板不加劲,计算时将端板按照悬臂板计算,大大减小了屈服线的长度,所以导致算得的板厚过大,与实际受力不符。


1—受拉T型件;2—第三排螺栓。

图8 《螺栓规程》中外伸端板节点接头


5.2

《门刚规范》计算方法

《门刚规范》中,未给出螺栓计算的方法,仅给出了端板厚度计算方法。端板厚度由板的支承方式和螺栓本身的抗拉承载力决定。


单个M27 A490螺栓的抗拉承载力为334.8 kN,端板计算区域应属于两边支撑,螺栓中心距腹板距离ew=51 mm,螺栓中心距翼缘距离ef=65 mm,端板宽度b=220 mm,按《门刚规范》中公式10.2.7-3,当端板材质为Q235B时,算得板厚为34.3 mm。


板厚仍然大于DG4计算结果,对《门刚规范》中的公式进行分析,发现在计算板厚时,只用到了板材的弹性抗弯,并未考虑塑性,所以导致按照《门刚规范》计算得到的板厚偏大。但是,这种计算原理对于门式刚架来说是没有问题的,门式刚架下端可采用铰接,若在梁柱节点产生塑性铰,门式刚架在平面内将会由结构变成机构。


结 论

1)国标设计中通常将端板作为半刚接节点使用;而美标中,端板节点可作为刚接节点,所以两国规范对端板节点计算方法并不相同。通过分析设计步骤,发现两国规范对上翼缘拉力的计算原理相同,对受拉区螺栓受力分布计算虽然有差异,但差异不大,不至于影响螺栓规格选取,只是对端板计算方法差异较大,国标各规范与美标采用屈服线理论计算的方法相比,偏于保守。


2)通过分析DG4 Preliminary design table,发现绝大多数情况下,螺栓直径大于端板厚度,尤其是采用50 ksi强度(即345 MPa)板材时,板厚全部小于螺栓直径。国标规范中虽然没有给出一个明确的端板计算标准流程,但是通过构造措施,比如端板厚度不小于螺栓直径,柱翼缘厚度不小于端板厚度,端板外伸部位设置加劲等措施,也可以达到端板的承载力不小于螺栓承载力的要求,满足厚板的条件,从而达到刚接的效果。


3)美标DG4理论较为清晰,且有实际工程和试验数据支撑,有抗震要求的情况下计算端板节点时,若工程师判定国标规范的理论不适用,可按照美标进行计算。如果是非抗震设计,国标中的构造措施已经足够安全。



双击此处添加文字
肇庆联亿钢结构工程有限公司
联系人:黄先生
电话:18938314188
邮  箱:77132440@qq.com
网  址:http://www.zqlianyi.cn/
地 址:肇庆市端州区光大锦锈山河